| Availability: | |
|---|---|
| Quantitas: | |
Series AB(A) est praecisio curatio superficiei solutionis ab Huzhou Antron Machinery independenter evoluta. Fluxus tres dimensiva principia consummans levans, consequitur deburendo, poliendo, purgando, descendendo, ac detrahendo in uno passu per collisionem dynamicam, frictionem et separationem inter medias laesuras et officinas intra pateram vibratoriam. Specimen pro industriarum summa cura ut autocinetum, aerospace, medicinae machinis, ferramenta ferraria, excellit in batch processus complexi geometriae.
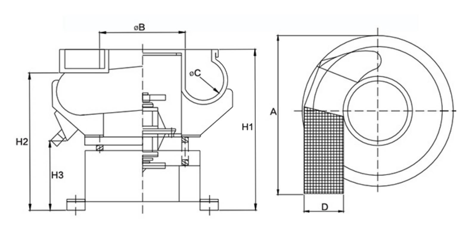
Technica notitia

Model |
Volume/ L |
Max altiore Dimensio A/ MM |
Tubus motor institutionis C/ MM |
Processus patera latitudine D/ MM |
E/ MM |
Machina altitudo H/ MM |
Motor power/ KW |
Pondus / KG * |
AB(A)100 |
100 |
1020 |
470 |
220 |
330 |
860 |
1.5/2.2 |
260 |
AB(A)200 |
200 |
1200 |
540 |
220 |
343 |
900 |
3 |
400 |
AB(A)300 |
300 |
1310 |
620 |
280 |
365 |
900 |
3.7/5.5 |
560 |
AB(A)600 |
600 |
1820 |
910 |
380 |
500 |
1350 |
5.5/7.5 |
1080 |
AB(A) 900 |
900 |
1930 |
610 |
560 |
490 |
1330 |
9/11 |
1850 |
AB(A)1200 |
1200 |
2020 |
740 |
560 |
645 |
1420 |
11/15 |
2400 |
| **Core Component** | **Technical Highlights** |
| ------------------------------- | ---------------------------------------------------------------------------------------------------------------- | |
| Rectus-Wall Crater** | Summus fortitudo ferri constructio iuncta cum emissa in polyurethane tunica (non spargitur), 5° vitam longiorem induunt. |
| **Patented Vibratory System** | Stipes eccentricus dynamicus libratio consequitur 92% industriam efficientiam, strepitum ≤65dB. |
| **Smert Control System** | Real-time vigilantia currentis, caloris, et vibrationis intensio cum autocineto shutdown praesidio. |
| ** Modular Expansion** | Sustinet automated loading, flipping, ac instrumentorum distantiarum upgrades. |